Ultrasonic energy is widely used to sense the presence of nearby objects and even determine their distance if needed, as well as to measure fluid flow rates in industrial and scientific applications. The advantages of ultrasound are that it is relatively easy to apply, is accurate, has very minimal safety or risk factors, carries no regulatory restrictions, and avoids RF spectrum-allocation or EMI/RFI issues. Note that it is also used for ultrasonic imaging, but that’s a topic with a large set of differences and a unique context, so we won’t get into that here.
In order to fully realize the benefits of ultrasonic sensing when used in an appropriate application, designers need a good understanding of its operating principles, available components, and circuit requirements. They must also consider architectural approaches, such as whether to use separate transmit and receive units, which allows for placement of each in different locations, if necessary, or use a combined single-unit transceiver.
Finally, they must also provide a suitable electronics driver and receiver which can operate at the appropriate frequency, typically around 40 kilohertz (kHz) for position sensing/detection and several hundred kilohertz for fluid-flow sensing. The benefits of high-frequency transducers include increased resolution and focused directivity (forward-facing beam pattern), but the disadvantage is increased signal-path attenuation.
The rate at which the ultrasonic energy scatters and is absorbed while propagating through the medium of air increases with frequency. This results in a decrease in maximum detectable distance if other factors are held constant. The 40-kHz frequency is a compromise between factors such as efficiency, attenuation, resolution, and physical size, all of which are related to wavelength.
Simple principle, adopted from nature
Ultrasonic detection is a sophisticated version of the basic echolocation principle used by animals such as bats and dolphins, shown in Figure 1.

In operation, a brief pulse of acoustic energy is generated by a transducer, which is usually a piezoelectric device. After the pulse ends, the system switches to receive mode and awaits the reflection (echo) of that pulse. When the transmitted acoustic energy encounters an impedance transition or discontinuity, such as between air and a solid object, some of that energy is reflected and can be detected, again usually by a piezoelectric device.
Acoustic impedance is based on the density and acoustic velocity of a given material, and it is important to determine the amount of reflection that occurs at the boundary of two materials having different acoustic impedances. Acoustic impedance is based on the density and acoustic velocity of a given material.
The proportion of energy that is reflected is a function of the material type and its absorption coefficient, as well as the impedance differential at the boundary between materials. Hard materials such as stone, brick, or metal reflect more than soft ones such as fabric or cushions.
The acoustic impedance of air is four orders of magnitude less than that of most liquids or solids; therefore, the majority of ultrasonic energy is reflected to the transducer based on the large difference in reflection coefficients. The acoustic cross-section is a metric analogous to radar cross-section and is determined by the target-object material and size.
This detection and distance-sensing is similar to what happens when radar RF energy or lidar optical energy encounters an impedance discontinuity, and some of that energy is reflected back to the source. However, while the overall concept is the same, there is a big difference: ultrasound energy is not electromagnetic energy. Its use of the frequency spectrum is not regulated and has very few restrictions except for excessive sound pressure level, a consideration which is generally not relevant to sensing/detection applications, as most operate at fairly low power levels.
Propagation and media matter
There’s one other big difference: ultrasound sensing/detection can only be used in a propagating medium such as air, other gases, or even liquid fluids. Acoustic energy (sound) cannot propagate through a vacuum, so there is no sound in space (as noted in the classic 1979 movie Alien, “in space, no one can hear you scream”). This is the reality, despite the loud sounds you hear in space-themed TV shows and movies when a nearby space vehicle explodes.
The attenuation and propagation of acoustic energy through various media are the opposite of RF and optical energy. Acoustic energy generally propagates well through liquids, while RF energy generally does not, and optical energy also has high attenuation in most liquids. Further, unlike acoustic energy, both RF and optical do have low attenuation in a vacuum.
In its simplest implementation, the ultrasonic system is used solely to detect the presence or absence of an object or person within an overall zone of interest by detecting a return signal of sufficient strength. By adding a timing measurement, the distance to the target can also be determined.
In more sophisticated systems, which must also determine the distance to the object, that distance is calculated by a simple equation: distance = ½ (velocity × time), using the round-trip time between the emitted pulse and received reflection and the established speed of sound in air. The “½” factor is needed since the time measurement is for round-trip time.
That speed of propagation is about 343 meters/1125 feet per second at 20°C (68°F) or 770 miles/1235 kilometers per hour — also known as Mach 1. If the medium is a fluid or gas other than air, the appropriate propagation speed must be used, of course.
Note that the speed of sound in air varies slightly with temperature and humidity. Therefore, ultraprecise distance-sensing applications require that one or both of those factors be sensed and a correction factor added to the basic equation.
Once again, as an example of engineers turning a negative factor into a positive one, there are advanced temperature-sensing systems that exploit this shift in propagation speed versus temperature. These systems determine fluid temperature by using precise timing of the reflected ultrasound pulse over a known distance. They then do a “reverse correction” to determine what temperature would have caused that propagation speed. Of course, to make that reverse approach work, you must have detailed tables or equations defining the speed-versus-temperature relationship for the different media of interest.
Transducer parameters start the process
Transducers used for ultrasonic sensing are characterized by several top-tier parameters. Among these are:
- Operating frequency, tolerance, bandwidth: as noted earlier, 40 kHz is common for many basic applications, with a typical tolerance and bandwidth of several kilohertz.
- Drive-voltage level: this specifies the voltage level for which the transducer provides optimal performance. It can range from a few tens of volts to 100 V or more.
- Sound Pressure Level (SPL): defines the magnitude of the audio output at the defined drive level; it can easily reach 100 dB or more. Higher SPL eases drive-voltage and power requirements, thus offering coverage over greater distances (a typical ultrasound application has a range in the tens of feet), and simplifies receiver amplification circuitry.
- Receiver sensitivity: this characterizes the voltage output of the piezoelectric transducer at a given SPL. The higher this number, the easier it will be to overcome system noise and provide an accurate reading.
- Directivity: this defines the spread of the transmitted beam as well as the angular range over which the receiver is most sensitive, as shown in Figure 2. Typical values range from 60° to 80° at 40 kHz, usually measured to the angle at which the response is 6 decibels (dB) below the value at the 0° angle.

Figure 2. The directivity parameter shows the angular spread of the transmit-side and receive-side transducer functions; they may be similar but are generally not the same. (Image: PUI Audio)
Positioning the transducers
One of the factors that determines the choice of transducers is the relative position and orientation of the object being sensed. If the object is directly in front of the source and all or partially at a right angle to the incident energy, some of that impinging energy will be reflected directly back to the source.
In this situation, the use of a single transducer for both transmit and receive functions (called a monostatic arrangement) can simplify physical setup and required space as well as reduce transducer costs, as seen in Figure 3.

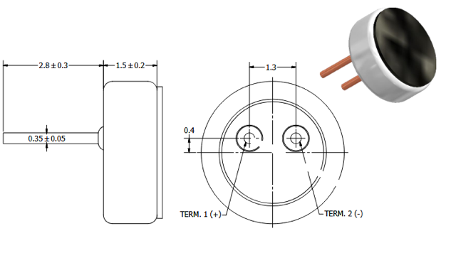
For example, the PUI Audio UTR-1440K-TT-R, seen in Figure 4, is a 40-kHz ultrasonic transceiver that is a viable choice for this configuration. This unit, with a diameter of just 12.5 millimeters (mm) and depth of 9 mm, is designed to operate from a 140 Vpeak-peak (Vp-p) AC drive and presents a nominal load of 1800 picofarads (pF) to the driver. Echo sensitivity is better than 200 mV, and the directivity is 70°±15°.

In some cases, the source and receiver transducers are separate devices but are located next to each other in what is called a collocated or bistatic arrangement of Figure 5.

They may even be separated by a substantial distance and have different orientations if the object being sensed is at an angle. In this case, the sensed object deflects the impinging energy rather than reflecting it back to the source. Separate devices also allow for flexibility in the selection of the two devices to match the application, and also allow for flexibility in the power-drive circuitry of the transmitter versus the sensitive analog circuitry of the receiver.
For these situations, pairing the PUI Audio 40-kHz UT-1640K-TT-2-R ultrasonic transmitter and UR-1640K-TT-2-R ultrasonic receiver may be a good choice. The transmitter, which measures 12 mm deep with a 16 mm diameter, requires just 20 Vrms drive. It produces an SPL of 115 dB while presenting a nominal capacitance of 2100 pF and 80° beamwidth directivity. The complementary receiver has the same appearance, dimensions, directivity, and capacitance as the transmitter unit.
The next part of this article focuses on the use of ultrasonic sensing for measuring fluid flow rates.
Related EE World content
FAQ: Piezoelectric motors, Part 1: actuators
Principles, selection and design with piezoelectric actuators
FAQ: Piezoelectric motors, Part 2: drive circuits
An introduction to ultrasonic sensors
Ultrasonic ToF sensors work at short and long ranges
The working principle, applications and limitations of ultrasonic sensors
References
Ultrasonic Transducers, PUI Audio
Understanding Ultrasonic Flow Meters and it’s Working Principle in Water Flow Measurement, Circuit Digest
11.6: Speed of Sound, Georgia State University/Libre Texts
Doppler Meters Vs Transit Time Ultrasonic Flow Meters, Omega Engineering, Inc.
Overview: Transit Time Ultrasonic Flowmeter, eFunda, Inc.
Ultrasonic Flow Meter, Tek-Trol
PGA460PSM-EVM With Ultrasonic Transducer User’s Guide, Texas Instruments, SLAU817





Leave a Reply
You must be logged in to post a comment.